你好!欢迎进入泰安今朝机械有限公司!

今朝机械

在起重、勘探机械等领域研制行星减速机构

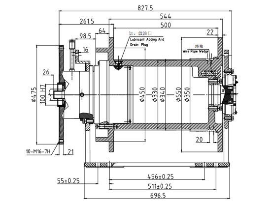
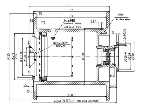
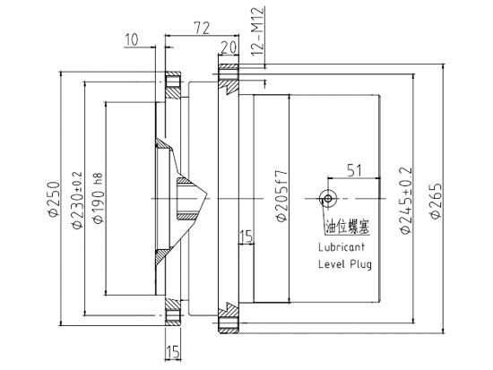
桩机、螺旋钻、风电运输车专用 当前位置:首页 > 桩机、螺旋钻、风电运输车专用

      总计1页 [ 1 ]上一页 下一页

    CONTACT US 联系我们

    • 张经理:13515383020

      王经理:13854883386

      电话:0538-8768035 / 8768036

      传真:0538-8768037

    • 二维码扫描

    • 地址:泰安市泰山区邱家店工业园

      (普瑞特大街)

      网址:www.tsjzjx.com

    版权所有:泰安今朝机械有限公司        鲁ICP备14012410号-1